![]()

SAUER DAN FOSS ชุด OML ดั้งเดิม OML8 OML12.5 OML20 OML32 มอเตอร์ล้อ
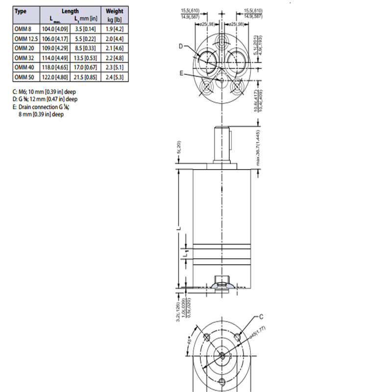
OML12.5 151G2022 OML20 151G2003 OML20 151G2023
มอเตอร์ไฮดรอลิกแบบไซโคลลอยด์เป็นมอเตอร์กระจายการไหลของไมโครเพลาที่สามารถติดตั้งและใช้งานในพื้นที่ขนาดเล็กได้ ใช้คู่สเตเตอร์ของโรเตอร์แบบรวมและโครงสร้างฟันแบบ 4/5 ที่มีโครงสร้างกะทัดรัด น้ำหนักเบา และความหนาแน่นกำลังสูง
ลักษณะของมัน:
คู่โรเตอร์และสเตเตอร์ในตัวใช้เทคนิคการประมวลผลขั้นสูงระดับโลกเพื่อให้แน่ใจว่ามีขนาดเล็ก ประสิทธิภาพสูง ความเร็วในการหมุนสูง และอายุการใช้งานที่ยาวนานของเครื่องจักรทั้งหมด
ซีลเพลามีตลับลูกปืนแรงดันสูงและสามารถใช้แบบอนุกรมหรือแบบขนานก็ได้
การออกแบบโครงสร้างขั้นสูง ความหนาแน่นของพลังงานสูง
มอเตอร์ไฮดรอลิกความเร็วสูงขนาดเล็ก BMM ถูกนำมาใช้อย่างแพร่หลายในแผนกต่างๆ เช่น เครื่องจักรวิศวกรรม เครื่องจักรกลการเกษตร การขนส่ง และการผลิตเครื่องจักร เช่น เครื่องอัดน้ำมัน สายพานลำเลียง เครื่องจักรปฏิบัติการ เครื่องฉีดพลาสติก เครื่องเก็บเกี่ยว ที่คีบท่อ เครื่องควบคุม และการยก รถเครน
|
|





![]()

![]()

![]()


















